新闻中心
更新时间:2019-03-05
点击次数:795
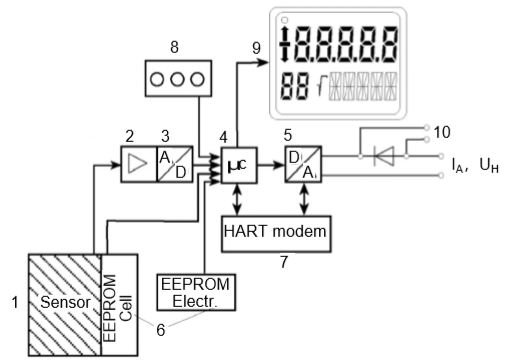
西门子压力变送器产生的信号被信号放大器放大后,经模–数转换器转换成数字信号。在微处理器中,经线性和温度校正后,再经数–模转换器(转换成直流4-20mA输出信号。一个二极管电路提供反向极性保护,外部指示(电压降<0.5v)也可以连接到这个电路上。涉及测量元件的电子数据和变送器功能参数数据被存贮在两个EEPROM 中。 你可以通过3个输入调整键直接在测量点对西门子压力变送器进行参数调整,可以在数字显示中读取测量结果、故障信息和工作方式。也可以通过HART调制解调器,按照HART协议进行参数调整。

1.测量元件传感器
2.信号放大器
3.模-数转换器
4.微处理器
5.数-模转换器
6.测量元件和电子单元中的两个 EEPROM
7.HART 调整解调器
8.三个输入调整键(就地操作)
9.数字显示10用于连接外部电流表
IA电流信号输出
UH电源
该文章由网络优化人员所整理,如需西门子压力变送器技术支持欢迎咨询我们司技术人员http:/!